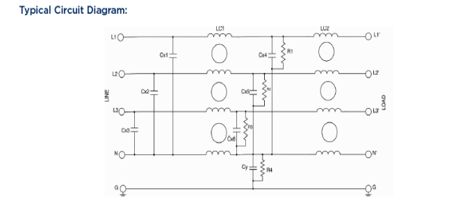
INTRODUCTION:
The 3-Phase 4-Wire EMI Filters from EMIS are designed for motor and power drive systems which
can provide superior attenuation performance and suppress conducted noise even when high
interference levels are present.
APPLICATION:
• High-power motor drives, inverters
• Industrial three-phase systems & Large UPS
• Entire factories, plants & installations
• Machinery
• Mining equipment
• Photovoltaic systems with galvanic isolation
• Wind turbines
FEATURES:
• A compact and light weight filter design
• Solid, touch-safe terminal blocks (8 to 200 types) offering sufficient contacting cross section
according to the EN 60204-1 installation standard, which is very common in industrial
applications.
• Provides enough performance to ensure EMC compliance of machinery in mixed Class A or
even domestic Class B environments.
• TMF4232 provides the attenuation performance needed to meet the requirements of
various machine tools.
• For easy selection & application, the filter current ratings are aligned with common fuse
values.
• RB2 option for easy compliance to IEC 60204-1 (DIN-VDE 0113). Suitable for complex
machines, where the overall insulation resistance needs to be higher than 1MΩ.
+91-95386 78655 / +91-74832 76147
Indiasales@vibcom.net / Sales@vibcom.net
No 9/36,Vaishnavi Sapphire centre, 2nd floor,Room 09,Tumkur road, Yeshwantpur, Bangalore -560022